|
| |
С разрешения автора А. Дмитриева
город Омск."Каденция".
Оценка влияния переходных
конденсаторов на звучание усилителей
В настоящее время на рынке
радиоэлементов предлагается большое количество разных типов конденсаторов, как отечественных,
так и зарубежных, применяемых в качестве разделительных в ламповых усилителях (1-3). С целью
определения, какие типы конденсаторов предпочтительны к использованию в любительских
конструкциях, были проведены электрические измерения характеристик конденсаторов, попавших
мне под руку, и субъективная оценка их влияния на звук. Наибольшее внимание уделялось
отечественным изделиям, потому что наша промышленность производила (с грустью, в
прошедшем...) конкурентоспособные, а часто - и уникальные изделия, во-вторых, отечественные
радиоэлементы более доступны любителям.
Оговорюсь, что эта статья не претендует на полноту обзора всех имеющихся типов
конденсаторов, а призвана лишь помочь любителям хорошего звука в применении того или иного типа.
Рекомендую также ознакомиться со статьей (3).
Избавлю уважаемого читателя о теоретических выкладок, диаграмм и прочего, все
это подробно изложено в (1, 3). Буду подробно рассматривать лишь емкость конденсатора Cx и
потери энергии переменного сигнала, выражаемые тангенсом угла потерь Dx. Отмечу, что фактор Dx
зависит от материала диэлектрика, и во многом - от конструкции конденсатора и технологии
производства. Причем параметры Cx и Dx зависят как от частоты, так и от амплитуды приложенного к
конденсатору сигнала. Эти параметры измерялись цифровым измерителем иммитанса Е7-14,
Позволяющего производить измерения на частотах 100 Гц, 1 кГц и 10 кГц при величине переменного
сигнала 2 В rms (для частоты 10 кГц проводились измерения также сигналом с уровнем 40 мв) (4).
Результаты измерений сведены в табл.
Субъективная оценка влияния
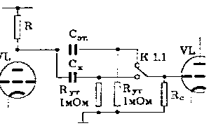
конденсаторов на звук проводилась в два этапа. Первоначально использовался метод исключения,
когда оцениваемый конденсатор Cx (рис.), включенный на входе усилителя, шунтировался
контактами реле.

После этого использовался метод замещения или попарного сравнения:
1. в самодельном двухтактном усилителе на EL34 конденсаторы подключались между драйверным и
выходным каскадами;
2. в однотактном усилителе на 300В по схеме H. Reichert*а между тремя каскадами.
Схема установки показана на
рис., в качестве эталонного конденсатора Cэт использовались конденсаторы MIT Multi Cap RTX.
Прослушивание проводилось на комплекте аппаратуры стоимостью около 4000 USD следующим
образом. Трое моих друзей, далеких от технических подробностей, но любящих и ценящих музыку
(отдельное им спасибо за то время, что они потратили!), отдельно записывали свои
впечатления от звучания, причем в момент прослушивания они не знали, подключен ли Multi Cap за
16 USD, или К78-2 за 3 одеревеневших RusRubl. Обобщенные результаты субъективных экспертиз я привожу в
табл.

Что же можно сказать по результатам
измерений и прослушивания? С моей точки зрения, наибольший интерес в качестве разделительных
представляют бумагомасленные фольговые К40у-9 и фторопластовые ФТ, К72п-6 конденсаторы, которые ни
в чем не уступают своим именитым аналогам.
Примечательно, что у конденсаторов К40у-9 и ФТ3 тангенс угла потерь снижается с уменьшением
уровня сигнала и достигает у ФТ3 Dx=0,0005, что, по-видимому, благоприятно сказывается на звуке.
Конденсаторы MIT Multi Cap оправдали свою популярность, а вот изделия французской фирмы Solen
я бы не рекомендовал использовать в слабосигнальных цепях, тогда как их применение в
сильноточных цепях - в разделительных фильтрах акустических систем и в блоках питания дает
прекрасные результаты. Заслуживают внимания и поликарбонатные конденсаторы К77, имеющие
достаточно большую емкость при небольших габаритах, а также и полистирольные К71.
Комбинированные К75 и лакопленочные К76, несмотря на тенденцию снижения Dx при уменьшении амплитуды
сигнала лучше использовать в блоках питания, тем более, что для этого они и разрабатывались. В
конце табл. 1 приведены результаты измерения электролитических конденсаторов (начиная с
южнокорейских SHOEI), выводы делайте сами. Несмотря на хорошие показатели оксидно-полупроводниковых
конденсаторов К53-28, их применение для шунтирования катодных резисторов приводит к
появлению резкости, "механистичности" в звуке. Если есть возможность, применяйте в блоках
питания усилителя конденсаторы КБГ-МН, К75-24 и т. п. (если только потом сможете такой усилитель
поднять...)
Какие выводы я хочу сделать? Итак:
1. Измерение параметров не дает
полной информации, будет "звучать" данный
конденсатор или нет; хотя стабильность
характеристик в широком диапазоне и снижение
потерь при уменьшении сигнала является
обнадеживающим фактором.
2. Чем слабее сигнал, тем большее
влияние на него может оказать диэлектрик
разделительного конденсатора. Влияние
конденсаторов в фильтрах акустических систем и
на выходе драйверных каскадов менее ощутимо, чем
во входных. В последних это влияние особенно
заметно при больших значениях сеточного
сопротивления утечки, что оправдывает
применение схем с гальванической связью, то есть
без разделительного конденсатора.
3. Верно, конденсаторы оказывают
влияние на звук, но не стоит это влияние
переоценивать, так как оно несоизмеримо слабее,
чем влияние выходных и прочих трансформаторов,
схемотехники (в частности, выбор режимов ламп,
тип ламп и экземпляров ламп). Как показывает опыт,
изменение режима работы лампы входного каскада
кардинально меняет звук всего усилителя, тогда
как замена разделительных конденсаторов в
посредственном усилителе не изменит практически
ничего, пусть даже и стоимость такого "чуда"
возрастет вдвое.
4. Ламповый усилитель, при внешней
простоте схемы, является устройством, где все
узлы, элементы, конструкция комплексно
взаимодействуют как между собою, так и с внешними
устройствами: источником сигнала, акустическими
системами (а через них и с помещением
прослушивания), электрической сетью. Причем
чувствительность к типу применяемых
радиоэлементов разных узлов усилителя так же
может изменяться с учетом изложенных факторов*.
Поэтому определять, какой тип конденсаторов
(резисторов, проводников) предпочтителен в
данной конкретной конструкции, необходимо уже
после того, как отработана схемотехника,
конструкция усилителя. При этом не отменяются
личные пристрастия разработчика и то, с какой
другой аппаратурой и для прослушивания каких
музыкальных жанров усилитель будет
использоваться и, что немаловажно, какова
планируемая себестоимость Вашего создания (или
возможности Вашего кошелька).
5. Не без гордости отмечу, что
отечественные конденсаторы (наряду с
радиолампами, резисторами) обеспечивают
прекрасное качество звука при их грамотном
применении.
Хочу пожелать самодельщикам успехов в их таком
прекрасном хобби! Побольше экспериментируйте,
пробуйте различные радиоэлементы, лампы, схемы
(не отрицая огульно при этом классические), и это
поможет вам по-настоящему почувствовать музыку!
Смею надеяться, что вышеизложенный материал
окажется Вам полезен.
(Нажми на фотографию, в увеличеном виде увидишь
наши знаменитые конденсаторы: ФТ3, К40У9, К71-5, К75-10,
ОСК42У-2, СГМ-4Г.
Список литературы:
1. Справочник по электрическим конденсаторам /
Под ред. И. И. Четвертакова, В. Ф. Смирнова. М., 1983.
2. The Parts Connection, (Каталог радиодеталей, 1997 г.)
3. Фрунджян Артур. Маленькие секреты
конденсаторов / Класс А. - 1996. - спецвыпуск - с. 12-15.
4. Е7-14. Измеритель иммитанса. Техническое
описание и инструкция по эксплуатации.
Аппаратура, используемая при прослушивании:
Проигрыватель CD Exposure CD Player, усилители MARANTZ PM 16,
Arion Nereus 300B (редкая недоделка, даром что от П.
Квортрупа!)., колонки переделанные Cerwin Vega DX9, шнуры
все TARA Labs Reference, диски Focal, Pope Music.
За дополнительной
информацией можно обратиться E-mail:
leohornus@yahoo.com
alexkach@mailru.com
На главную
|