Сделай TQWT
     

     

Автор А. Кашапов город Омск.

Кинотеатральный динамик 4А28 в акустическом оформлении TQWT

4a28fr.jpg                                        4a28til.jpg

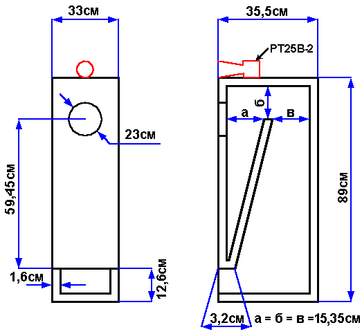
    Акустическое оформление TQWT(Tapered Quarter Wave Tube) описал Paul Voigt в 1930 г. Конструкция и теоретические выкладки хорошо освещены на сайтах. В конструкции использовались широко распространенные динамики 4а-28 не модернизированные. Ящик объемом 78 литров (рис. 1) рассчитан на 1/4 длины волны и частоту резонанса динамика 57 Гц, а выходной порт на её третью гармонику. Ящики изготовлены из берёзовой фанеры толщиной 16 мм с внутренними распорками. Внутренние распорки уменьшают вибрации корпуса. Внутри корпус оклеен тонкими матами (толщина мата 15 мм), которые изготовлены из простёганной пористой материи с внутренним наполнением хлопчатобумажной ватой. Внутренний объём  над динамиком заполнен  звукопоглотителем из хлопчатобумажной ваты, причём от рыхлости заполнения ватой зависит быстрота баса. Бас, при использовании лампового усилителя, на удивление быстрый, динамичный.  Частотный диапазон  не модернизированного динамика 4А28 простирается до 14 кГц, поэтому была добавлена дополнительная высокочастотная рупорная головка PT25B-2, 8 Ом, 96 дБ доработанная. ВЧ головка РТ25В-2 подключена через простейший фильтр (рис. 2), состоящий из одного высококачественного конденсатора К71-5 емкостью 1 мкФ. 

Технические характеристики:

Звуковое давление

95 дБ/м

Частотный диапазон

50 Гц - 20 кГц

Электрическое сопротивление

15 Ом

Подводимая мощность

20 Вт

Рекомендуемая мощность лампового усилителя 

от 3 до 15 Вт

qtwt28.gif

Рис 1.

filtr28.gif

Рис 2.

За дополнительной информацией можно обратиться E-mail: alexkach@mailru.com

На главную

При использовании материалов статьи, ссылка обязательна.